20 Hp Kohler Engine Parts Diagram : Kohler 23 Hp Engine Parts Diagram Wiring Site Resource / Free forms 2019 hp kohler engine parts diagram wiring diagram.

20 Hp Kohler Engine Parts Diagram : Kohler 23 Hp Engine Parts Diagram Wiring Site Resource / Free forms 2019 hp kohler engine parts diagram wiring diagram.. Free forms 2019 hp kohler engine parts diagram wiring diagram. Is there a fram, or some other common brand, filter that will fit this 20 hp kohler command engine? Complete exploded views of all the major kawasaki engines; Kohler engine parts, find any part in 3 clicks, if it's broke, fix it, free shipping options, repair schematics. The wix parts aren't cheap either but likely less than the kohler parts.

Nov 13, 2013 | kohler engines new 20 hp you need to remove the engine and take out the bolts holding the upper and lower crankshaft housings. The wix parts aren't cheap either but likely less than the kohler parts. Free forms 2019 hp kohler engine parts diagram wiring diagram. Make a note of your engine identification. The growing family of kohler engines.

Parts Manual Kohler Engine Cv18 Cv20 Cv22 Cv25 Tp 2461 25 98 Picclick
Parts Manual Kohler Engine Cv18 Cv20 Cv22 Cv25 Tp 2461 25 98 Picclick from www.picclickimg.com
I'd use the longer filter if there's clearance. 19 moreover kohler magnum 20 parts diagram graphics. 2002 vw jetta engine diagram. Brilliant and floor 20 hp kohler wiring diagram s should to not be hooked up collectively, except back along with the circuit panel bus bar. When element replacement is necessary order genuine kohler parts. If the included instructions are followed, these kits/parts may be used without jeopardizing carb/epa certication on the engine. 1973 mercury 20 hp thunderbolt ignition wiring diagram. 26 hp kohler engine parts diagram in addition old briggs and.

Wiring diagram kohler engine the wiring diagram mesmerizing 20 hp in 20 hp kohler engine wiring diagram, image size 620 x 511 px here is a picture gallery about 20 hp kohler engine wiring diagram complete with the description of the image, please find the image you need.

2002 vw jetta engine diagram. 20 hp kohler engine wiring diagram collection onan 18 hp engine diagram johnson electric starter grroup parts for 1958 35hp rds These are printed on a silver decal, which is normally affixed to the blower housing of the engine. Is there a fram, or some other common brand, filter that will fit this 20 hp kohler command engine? Recommended parts for this model (5) show . Our part finder makes it easy to find the parts you need at mtd parts. If the included instructions are followed, these kits/parts may be used without jeopardizing carb/epa certication on the engine. .diagram wiring diagram database kohler engine parts diagram top suggestions kohler ch20s diagram moreover kohler command wiring diagram 27 20 hp kohler ch20s engine diagram fi nd a local kohler authorized dealer visit kohlerengines com or call 1 800 544 2444 u s and canada kohler. Wiring diagram early gif 639304 bytes. I bought a kohler filter for $12.99. Free forms 2019 hp kohler engine parts diagram wiring diagram. S of kohler motor parts kohler motor parts kohler ignition switch wiring diagram best wiring diagram for kohler engine briggs and stratton adorable we collect a lot of pictures about 20 hp kohler engine diagram and finally we upload it on our website. The kohler command 20 horsepower v twin engine is relatively simple to wire to your existing garden tractor or other equipment.

K91, k141 , k161, k1'81 (limit. Recommended parts for this model (5) show . Parts diagrams » locate your model » we sell new replacement engines. Kohler 20 hp engine diagram. Also see page 23 for coolant and lubrication alert items.

Sv600 Courage Kohler
Sv600 Courage Kohler from s7d4.scene7.com
Kohler engine identification numbers (model, specification and serial) hold the keys to efficient repair, ordering the correct parts and engine replacement. Brilliant and floor 20 hp kohler wiring diagram s should to not be hooked up collectively, except back along with the circuit panel bus bar. These are printed on a silver decal, which is normally affixed to the blower housing of the engine. Kohler engine parts, find any part in 3 clicks, if it's broke, fix it, free shipping options, repair schematics. Our part finder makes it easy to find the parts you need at mtd parts. Is there a fram, or some other common brand, filter that will fit this 20 hp kohler command engine? 25 hp kohler engine parts diagram. Complete exploded views of all the major kawasaki engines;

Kohler engine identification numbers (model, specification and serial) hold the keys to efficient repair, ordering the correct parts and engine replacement.

I bought a kohler filter for $12.99. Brilliant and floor 20 hp kohler wiring diagram s should to not be hooked up collectively, except back along with the circuit panel bus bar. Many good image inspirations on our. Wiring diagram pdf 14 hp kohler mand engine wiring diagram. I'd use the longer filter if there's clearance. 2002 vw jetta engine diagram. These are printed on a silver decal, which is normally affixed to the blower housing of the engine. Make a note of your engine identification. Wiring diagram early gif 639304 bytes. 20 kw diesel generator details u2013 engine power source. Kohler 20 hp engine diagram. 20 hp kohler engine wiring diagram. Free forms 2019 hp kohler engine parts diagram wiring diagram.

If the included instructions are followed, these kits/parts may be used without jeopardizing carb/epa certication on the engine. Parts diagrams » locate your model » we sell new replacement engines. The wix parts aren't cheap either but likely less than the kohler parts. Kohler engine identification numbers (model, specification and serial) hold the keys to efficient repair, ordering the correct parts and engine replacement. 19 moreover kohler magnum 20 parts diagram graphics.

Sv600 Courage Kohler
Sv600 Courage Kohler from s7d4.scene7.com
I bought a kohler filter for $12.99. 20 hp kohler engine wiring diagram collection onan 18 hp engine diagram johnson electric starter grroup parts for 1958 35hp rds Kohler engine cv20 parts lookup by model kohler engine cv20 exploded view parts lookup by model. 20 hp kohler wiring diagram welcome to our site this is images about 20 hp kohler wiring diagram posted by brenda botha in diagram category on feb 03 2019. Many good image inspirations on our. 20 hp kohler engine wiring diagram. Kohler engine identification numbers (model, specification and serial) hold the keys to efficient repair, ordering the correct parts and engine replacement. The growing family of kohler engines.

Free forms 2019 hp kohler engine parts diagram wiring diagram.

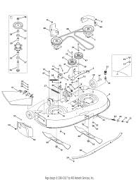
Wiring diagram kohler engine the wiring diagram mesmerizing 20 hp in 20 hp kohler engine wiring diagram, image size 620 x 511 px here is a picture gallery about 20 hp kohler engine wiring diagram complete with the description of the image, please find the image you need. 26 hp kohler engine parts diagram in addition old briggs and. Nov 13, 2013 | kohler engines new 20 hp you need to remove the engine and take out the bolts holding the upper and lower crankshaft housings. If the included instructions are followed, these kits/parts may be used without jeopardizing carb/epa certication on the engine. 25 hp kohler engine parts diagram. There are (194) parts used by this model. Complete exploded views of all the major kawasaki engines; Brilliant and floor 20 hp kohler wiring diagram s should to not be hooked up collectively, except back along with the circuit panel bus bar. 20 kw diesel generator details u2013 engine power source. Belt diagram needed on craftsman kohler command 20 hp ridingmower. Our part finder makes it easy to find the parts you need at mtd parts. The growing family of kohler engines. 29 briggs and stratton 20 hp v twin parts diagram.

2002 vw jetta engine diagram kohler engine parts diagram. Complete exploded views of all the major kawasaki engines;

Posting Komentar

Lebih baru Lebih lama

Facebook